Salta al contenuto
Stainless Steel Flange Manufacturer China | SongHai Flange
  • Casa
  • Perché noiEspandi
    • Chi siamo
    • Onore
    • IL NOSTRO TEAM
    • Video
  • ProdottoEspandi
    • Per modelloEspandi
      • JB81-59/ HG5010-58
      • HG/T 20592-2009
      • HG/T 20615-2009
      • GOST- 33259-2015 (PL) (WN)
      • NB/T 47021-2012
      • HG/T 21514-2014
      • JIS B2220-2012 (KSB1503-2007)
      • GB 2506-89
    • Serie di flange per recipienti a pressione
    • Serie di accessori per flange e elementi filtranti
    • Serie di flange per strumenti
    • Serie di flange per il vuoto
    • Flange Soft Connection
    • Serie non standard
    • Prodotti personalizzati
  • AttrezzaturaEspandi
    • Attrezzature per la forgiatura
    • Apparecchiature di lavorazione
    • Apparecchiature di ispezione
  • NotizieEspandi
    • Notizie aziendali
    • Notizie sul settore
  • FAQ
  • it_ITItalianEspandi
    • arArabic
    • zh_CNChinese
    • en_USEnglish
    • fr_FRFrench
    • de_DEGerman
    • ms_MYMalay
    • pl_PLPolish
    • pt_PTPortuguese
    • ru_RURussian
    • es_ESSpanish
    • thThai
    • viVietnamese
Contatto
Stainless Steel Flange Manufacturer China | SongHai Flange
Casa / Prodotto / Per modello / HG/T 21514-2014 / Plate flange manholes with davitto vertical cover
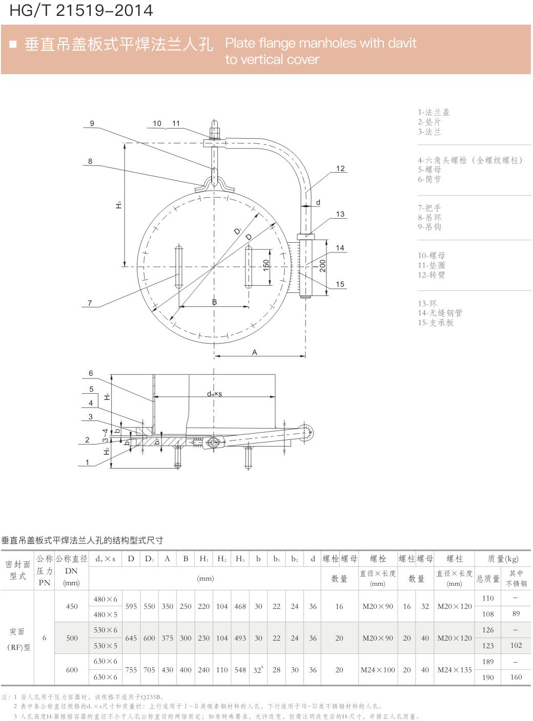
HG/T 21514-2014

Plate flange manholes with davitto vertical cover

05-1.jpg

Navigazione articoli

Precedente Precedente
Welding necd flange manholeswith hinged cover
SeguenteContinua
Lip on flange manholes with davitto vertical cover
  • Comparison
  • Attrezzatura
    • Attrezzature per la forgiatura
    • Apparecchiature di ispezione
    • Apparecchiature di lavorazione
  • High Pressure Solutions
  • Installation Guide
  • Maintenance
  • Marketing Guide
  • Notizie
    • Notizie aziendali
    • Notizie sul settore
  • Prodotto
    • Per modello
      • GB 2506-89
      • GOST- 33259-2015 (PL) (WN)
      • HG/T 20592-2009
      • HG/T 20615-2009
      • HG/T 21514-2014
      • JB81-59/ HG5010-58
      • JIS B2220-2012 (KSB1503-2007)
      • NB/T 47021-2012
    • Prodotti personalizzati
      • Altri
    • Serie di accessori per flange e elementi filtranti
      • Flange personalizzate
    • Serie di flange per strumenti
      • altri
    • Serie non standard
      • altri
    • Serie di flange per recipienti a pressione
      • Flange cieche
      • Flange personalizzate
      • Flange a giunto circolare
      • Flange a piastra
      • Flange a scorrimento
      • Flange a saldare a bicchiere
      • Flange filettate
      • Flange con collo a saldare
    • Flange Soft Connection
      • Altri
    • Serie di flange per il vuoto
      • altri
  • Product Comparison
  • Product Guide
  • Product Knowledge
  • Standards Guide
  • Technical Guide
  • Technical Reference
CINA SONGHAIFLANGE MANUFACTURING CO.... LTD

Aggiungi: No.678, Road 2, Binhai Park, Wenzhou Economic &Technological Development Zone. No.1588, Tianzhong Road, Wenzhou High-tech Zone.
Linea diretta VIP: 4008-888-275
TEL(whatsapp):86+18658777855 &nbsp&nbsp&nbsp&nbsp86+18257785557
FAX:0577-86917800

Categoria

  • JB81-59/ HG5010-58
  • HG/T 20592-2009
  • HG/T 20615-2009
  • GOST- 33259-2015 (PL) (WN)
  • NB/T 47021-2012
  • HG/T 21514-2014
  • JIS B2220-2012 (KSB1503-2007)
  • GB 2506-89

Perché noi

  • Chi siamo
  • Notizie
  • Attrezzatura
  • Contatto
  • FAQ

© 2026 songhaiflange

Scorri in alto
  • Casa
  • Perché noi
    • Chi siamo
    • Onore
    • IL NOSTRO TEAM
    • Video
  • Prodotto
    • Per modello
      • JB81-59/ HG5010-58
      • HG/T 20592-2009
      • HG/T 20615-2009
      • GOST- 33259-2015 (PL) (WN)
      • NB/T 47021-2012
      • HG/T 21514-2014
      • JIS B2220-2012 (KSB1503-2007)
      • GB 2506-89
    • Serie di flange per recipienti a pressione
    • Serie di accessori per flange e elementi filtranti
    • Serie di flange per strumenti
    • Serie di flange per il vuoto
    • Flange Soft Connection
    • Serie non standard
    • Prodotti personalizzati
  • Attrezzatura
    • Attrezzature per la forgiatura
    • Apparecchiature di lavorazione
    • Apparecchiature di ispezione
  • Notizie
    • Notizie aziendali
    • Notizie sul settore
  • FAQ
  • it_ITItalian
    • arArabic
    • zh_CNChinese
    • en_USEnglish
    • fr_FRFrench
    • de_DEGerman
    • ms_MYMalay
    • pl_PLPolish
    • pt_PTPortuguese
    • ru_RURussian
    • es_ESSpanish
    • thThai
    • viVietnamese
WhatsApp